Закрыть

НПФ «МОДУС-Н»

domofon@domofon.ru

+7 (499) 251-13-00

Модификации БВД-306

БВД-306FCP-6

БВД-306FCP-6
БВД-306FCP-6
БВД-306FCP-6
монтаж
монтаж
Цена с НДС:19 690руб.28 810руб.38 010руб.
Купить

Описание

Блок вызова БВД-306FCP-6 предназначен для работы в составе многоквартирных домофонов и видеодомофонов VIZIT.

  • Шесть абонентов с персональной кнопкой для каждого;
  • Дуплексная связь между посетителем и абонентом;
  • Визуальный контроль обстановки перед блоком вызова;
     - встроенная CVBS-телекамера цветного изображения (PAL, 700 TVL, 0 Lux, объектив Pinhole 90°);
     - ИК-подсветка для телекамеры;
  • Отпирание замка входной двери:
     - ключами VIZIT-RF3.x, VIZIT-RF4.x (13.56 МГц);
     - при нажатии кнопки отпирания замка на абонентском устройстве;
     - при нажатии кнопки для выхода;
     - программируемая продолжительность отпирания замка (от 1 до 20 секунд).
  • Максимальное количество ключей для одной квартиры: 40;
                                                                   для всех квартир:      960;
  • Подсветка кнопок вызова и именных табличек;
  • Возможность подключения до трёх кнопочных панелей BS-306-6 для увеличения количества подключённых абонентов;
  • Параллельная работа до 2-х блоков вызова;
  • Работа с пультом консьержа
    - связь “Консьерж - Посетитель” по инициативе консьержа;
  • Сигнал вызова в абонентском устройстве и дублирование сигнала в блоке вызова на время нажатия кнопки;
  • Регулировка громкости служебных сигналов;
  • Регулировка громкости дуплексной связи;
  • Звуковая и световая сигнализация режимов работы;
  • Возможность обновления ПО на объекте (с использованием блока сопряжения CU-14);
  • Габаритные размеры, мм, (ШхВхГ) - 77х179х36;
  • Напряжения питания, В: 19..26;
  • Вариант установки - накладной;
  • Диапазон рабочих температур, °С - от минус 30 до плюс 45.

     При необходимости дополнительной защиты БВД от атмосферных осадков блок может быть установлен с МК-315.

! Файл обновления прошивки блока приводится на сайте www.vizit-group.com в описании соответствующего блока. 

Варианты исполнения

  • F - встроенный считыватель RFID-13.56МГц;
  • C - CVBS-телекамера цветного изображения; 
  • P - объектив “pinhole”.

Цветовое исполнение:

Старая Бронза (Bronze Old), ударопрочный поликарбонат. Подробнее>>

 

Документация и файлы:

Название Файл Дата Размер Формат
Паспорт 465274164PS_08 Паспорт БВД-306x.pdf 30.10.2025 185.60 KB pdf
Инструкция (ред. 2025) БВД-306x_OI_ru_20250124_A4.pdf 24.01.2025 1.07 MB pdf

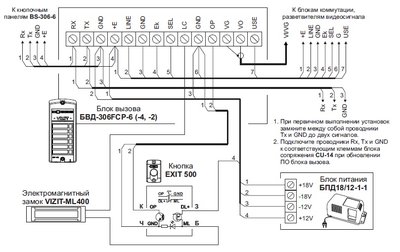
Схема подключения:

БВД-306FCP-6

www.dvizit.ru, Россия, Донецк VIZIT-ЦЕНТР Донбасс
Официальный телеграмм-канал ТМ VIZIT
Телеграмм-канал техподдержки ТМ VIZIT
Вход в личный кабинет

Регистрация | Забыли пароль?